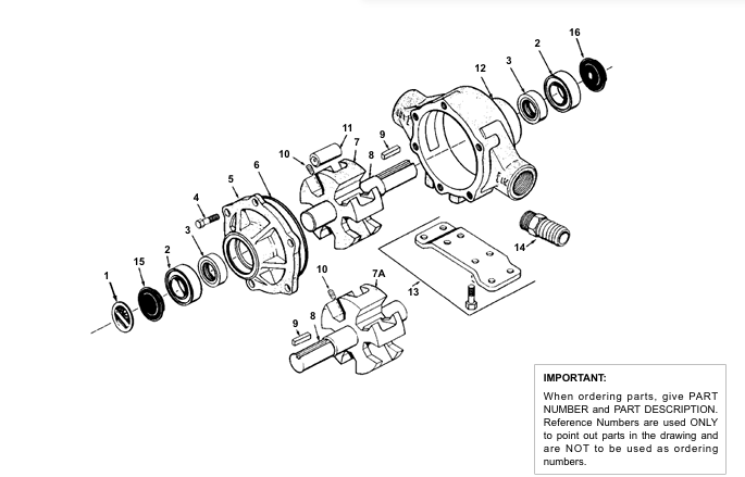
Consists of: (5) Ref. 11 Super Rollers, (1) Ref. 6 O-Ring Gasket, (2) Ref. 3 Viton Seals and (2) Ref. 2 Sealed Ball Bearings
APPLICATIONS:
Hypro 1700 series roller pumps.
Cross Reference:
3430-0407
449-34300407
6205-2RS
Site under construction - Thank you for your patience! Dismiss
Welcome to Raymar Supply. We Sell Parts for the Farming Industry.
No products in the cart.
Consists of: (5) Ref. 11 Super Rollers, (1) Ref. 6 O-Ring Gasket, (2) Ref. 3 Viton Seals and (2) Ref. 2 Sealed Ball Bearings
APPLICATIONS:
Hypro 1700 series roller pumps.
Cross Reference:
3430-0407
449-34300407
6205-2RS
You must be logged in to post a review.
We’re currently upgrading to a new platform for a better experience. The website is still in progress, so some features may be incomplete or unavailable. If you notice anything missing or not working, please let us know. Your feedback is important to us! Thank you for your understanding and patience during this transition.

Reviews
There are no reviews yet.